進口智能式電磁流量計用于測量封閉管道中導電液體和漿液體的體積流量,適用于石油化工、鋼鐵冶金、給水排水、水利灌溉、水處理、環保污水總量控制、電力、造紙、食品等行業,與計算機配套可實現系統控制。
進口智能式電磁流量計工作原理
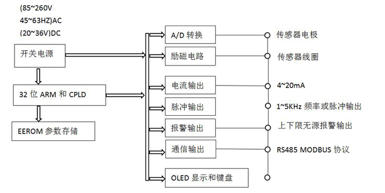
電磁流量計測量原理是基于法拉第電磁感應定律。流量計的測量管是一內襯絕緣材料的非導磁合金短管。兩只電極沿管徑方向穿通管壁固定在測量管上。其電極頭與襯里內表面基本齊平。勵磁線圈由雙向方波脈沖勵磁時,將在與測量管軸線垂直的方向上產生一磁通量密度為B的工作磁場。此時,如果具有一定電導率的流體流經測量管,將切割磁力線感應出電動勢E。電動勢E正比于磁通量密度B、測量管內徑d與平均流速V的乘積,電動勢E(流量信號)由電極檢出并通過電纜送至轉換器。轉換器將流量信號放大處理后,可顯示流體流量,并能輸出脈沖,摸擬電流等信號,用于流量的控制和調節。
在圖1-1中,當導電流體以平均流速V(智能電磁流量計工作原理)通過裝有一對測量電極的一根內徑為D(智能電磁流量計工作原理)的絕緣管子流動時,并且該管子處于一個均勻的磁感應強度為B(T)的磁場中。那么,在一對電極上就會感應出垂直于磁場方和流動方向的電動勢(E)。由電磁感應定律可寫做(1)式:
進口智能式電磁流量計產品特點
1.儀表結構簡單、可靠,無可動部件,工作壽命長。
2.無截流阻流部件,不存在壓力損失和流體堵塞現象。
3.無機械慣性,響應快速,穩定性好,可應用于自動檢測、調節程控系統。
4.測量精度不受被測介質的種類及其溫度、粘度、壓力等物理量參數的影響。
5.傳感器與表頭連接處單獨設計的密封件,可防止外界濕氣從連接處進入表頭和傳感器。
6.勵磁線及電極線均采用優質的單芯屏蔽線,可降低干擾,提高信號的潔凈度,從而提高測量精度。
7.傳感器表面油漆采用金屬氟碳漆,金屬氟碳漆中氟碳樹脂分子連上的氟碳鍵能夠抵抗紫外線的降解作用,表現出極其優異的耐久性、耐紫外線及耐侯性,使金屬氟碳漆涂層長久完美如新,減少維修的要求。
8.具有雙向流量測量,雙向總量累計功能,內部具有三個積算器可分別顯示正向累積值,反向累積值及差值積算量。
9.頻率可編程低頻三值波勵磁,提高了流量測量的穩定性,功率損耗低。
10.采用新型32位ARM+CPLD集成度高,運算速度快,計算精度高。
11.全數字量處理,抗干擾能力強,測量可靠。
12.超低EMI開關電源,適用電源電壓變化范圍大,效率高,溫升小,EMC性能好。
13.中英文菜單操作,使用方便,操作簡單,易學易懂。
14.高清晰度寬溫型OLED顯示。
15.使用智能化判斷,不采用測量修正設置,空管報警與電極檢測應用更加便捷。
16.先進的“粗大誤差處理”技術,能夠切除漿液等流體測量尖狀干擾,減小輸出跳動,保18.持高精度測量并使輸出更加穩定。
17.具有自檢與自診斷功能。
18.新的鍵盤處理方式,避免鍵盤操作影響測量。可以進、退位操作菜單,使參數設置更加便捷。
19.用AD421電流專用芯片使得4-20mA電流輸出更加穩定。
進口智能式電磁流量計技術參數
|
名稱 |
Focmag3102電磁流量計 |
|
公稱通徑 |
DN10-DN1800 |
|
介質電導率 |
≥5uS/cm |
|
精確度 |
0.5 級、1.0 級 ( 隨口徑區分 ) |
|
流速范圍 |
0.5-10m/s 推薦1-5m/s |
|
環境溫度 |
傳感器:(-40~+80)℃,轉換器:(-l5~+50)℃ |
|
介質溫度 |
≤100℃ |
|
襯里材料 |
聚四氟乙烯、聚氯丁橡膠、聚氨脂、聚全氟乙丙烯 (F46) PFA |
|
電極材料 |
316L、哈氏合金 C、哈氏合金 B、鈦、鉭、鉑/銥合金、不銹鋼涂覆碳化鎢 |
|
壓力等級 |
DN10-DN400:1.6MPa DN450-DN600:1.0MPa ≥DN700:0.6Mpa特殊規格訂貨時請注明 |
|
殼體材質 |
碳鋼 不銹鋼 |
|
安裝形式 |
一體式;分體式 |
|
通訊 |
RS485(Modbus協議)、HART |
|
輸出信號 |
全隔離(4-20mA電流、脈沖、上下限報警) |
|
負載電阻 |
4-20mA是0-750Ω |
|
消耗功率 |
≤15W |
|
電源 |
220V AC 50HZ、24V DC |
|
顯示器顯示 |
瞬時流量、流速、百分比、空管比、正.反向累積、報警顯示 |
|
防護等級 |
IP65 IP68(需特殊定制) |
|
防爆等級 |
ExⅡBT6 Gb |
|
電器接口 |
M20*1.5 |
|
口徑 |
測量范圍 |
口徑 |
測量范圍 |
口徑 |
測量范圍 |
|
(mm) |
(m 3 /h) |
(mm) |
(m 3 /h) |
(mm) |
(m 3 /h) |
|
DN10 |
0.14 ~ 1.40 |
DN125 |
22.08~ 441.56 |
DN700 |
692.37 ~13847.40 |
|
DN15 |
0.32 ~ 6.36 |
DN150 |
31.79~ 635.85 |
DN800 |
904.32~ 18086.40 |
|
DN20 |
0.57~ 11.30 |
DN200 |
56.52 ~ 1130.4 |
DN900 |
1144.5~ 22890.60 |
|
DN25 |
0.88~ 17.66 |
DN250 |
88.31 ~ 1766.25 |
DN1000 |
1413.0~ 28260.00 |
|
DN32 |
1.45~ 28.94 |
DN300 |
127.17~ 2543.40 |
DN1200 |
2034.7~ 40694.40 |
|
DN40 |
2.26~ 45.22 |
DN350 |
173.09~ 3461.85 |
DN1400 |
2769.4~ 55389.60 |
|
DN50 |
3.35~ 70.65 |
DN400 |
226.08~ 4521.60 |
DN1600 |
3617.2~ 72345.60 |
|
DN65 |
5.97~ 119.40 |
DN450 |
286.31~ 5722.65 |
DN1800 |
4578.1~ 91562.40 |
|
DN80 |
9.04~ 180.86 |
DN500 |
353.25~ 7065.00 |
|
|
|
DN100 |
14.13 ~ 282.60 |
DN600 |
508.68~ 10173.6 |
|
|
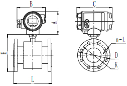
產品外形尺寸
|
一體型 |
|
A=155mm |
|
B=200mm |
||
|
C=240mm |
||
|
總高=H+A |
||
|
分體型 |
|
A=85mm |
|
B=155mm |
||
|
C=115mm |
||
|
總高=H+A |
|
公稱通徑DN |
壓力等級 |
法蘭外徑D |
螺栓孔中心圓直徑K |
螺栓孔 n-L |
總長L |
高度H |
參考重量kg |
|
10 |
PN40 |
90 |
60 |
4-φ14 |
200 |
190 |
10 |
|
15 |
PN40 |
95 |
65 |
4-φ14 |
200 |
190 |
10 |
|
20 |
PN40 |
105 |
75 |
4-φ14 |
200 |
190 |
10 |
|
25 |
PN40 |
110 |
85 |
4-φ14 |
200 |
200 |
10 |
|
32 |
PN40 |
140 |
100 |
4-φ18 |
200 |
205 |
11 |
|
40 |
PN40 |
150 |
110 |
4-φ18 |
200 |
215 |
12 |
|
50 |
PN40 |
165 |
125 |
4-φ18 |
200 |
220 |
15 |
|
65 |
PN16 |
185 |
145 |
4-φ18 |
200 |
240 |
16 |
|
80 |
PN16 |
200 |
160 |
8-φ18 |
200 |
255 |
18 |
|
100 |
PN16 |
220 |
180 |
8-φ18 |
250 |
270 |
20 |
|
125 |
PN16 |
250 |
210 |
8-φ18 |
250 |
300 |
25 |
|
150 |
PN16 |
285 |
240 |
8-φ22 |
300 |
330 |
30 |
|
200 |
PN16 |
340 |
295 |
12-φ24 |
350 |
390 |
45 |
|
250 |
PN16 |
405 |
355 |
12-φ26 |
450 |
450 |
65 |
|
300 |
PN16 |
460 |
410 |
12-φ28 |
500 |
500 |
79 |
|
350 |
PN16 |
520 |
470 |
16-φ30 |
550 |
520 |
95 1 |
|
400 |
PN16 |
580 |
525 |
16-φ32 |
600 |
635 |
40 |
|
450 |
PN10 |
615 |
565 |
20-φ26 |
600 |
685 |
150 |
|
500 |
PN10 |
670 |
620 |
20-φ26 |
600 |
750 |
170 |
|
600 |
PN10 |
780 |
725 |
20-φ30 |
600 |
830 |
200 |
|
700 |
PN6.0 |
860 |
810 |
24-φ26 |
700 |
890 |
335 |
|
800 |
PN6.0 |
975 |
920 |
24-φ30 |
800 |
1095 |
440 |
|
900 |
PN6.0 |
1075 |
1020 |
24-φ30 |
900 |
1195 |
568 |
|
1000 |
PN6.0 |
1175 |
1120 |
28-φ30 |
1000 |
1295 |
758 |
|
1200 |
PN6.0 |
1405 |
1340 |
32-φ33 |
1200 |
1395 |
875 |
|
1400 |
PN6.0 |
1630 |
1560 |
36-φ36 |
1400 |
1595 |
1235 |
|
1600 |
PN6.0 |
1830 |
1760 |
40-φ36 |
1600 |
1700 |
1650 |
|
1800 |
PN6.0 |
2045 |
1970 |
44-φ39 |
1800 |
1930 |
1790 |
安裝方式
★通用要求
a、為了安裝、維護、保養方便,在流量計周圍需保留足夠的空間
b、避免流量計安裝在溫度變化很大或受到設備高溫輻射的場所
c、流量計應安裝在室內,如安裝在室外,應避免陽光直射,必要時請安裝防曬裝置
d、避免流量計安裝在含有腐蝕性氣體的環境中
e、避免流量計安裝在有強振動源、強磁場的場所
★工藝管要求
a、 上、下游工藝管的內徑與流量計的內徑應滿足:0.98DN≤D≤1.05DN(DN:流量計內徑;D:工藝管內徑)
b、工藝管與流量計需同心,同軸偏差不大于0.05DN