進口KHBF高壓球閥專為高壓工況設計,適用于石油化工、能源輸送、液壓系統等領域,通過球體90°旋轉實現介質快速啟閉或流量調節。其核心功能包括全通徑流通、雙向密封及高壓穩定性,適配液壓油、天然氣、腐蝕性流體等介質。
進口KHBF高壓球閥產品特點
閥體采用厚壁鍛鋼或不銹鋼材質,抗壓強度達64MPa,適用于極端高壓環境
球體與閥座間彈簧預緊設計,確保高壓差下零泄漏(符合ANSI Class VI標準)
進口KHBF高壓球閥多樣化密封結構
軟密封(PTFE/PEEK)適配≤200℃非磨損介質,金屬密封(司太立合金)耐溫550℃且抗顆粒沖刷
靈活操作方式
支持手動、電動、氣動驅動,電動執行器響應時間≤5秒,支持遠程控制與智能反饋
耐腐蝕與長壽命
閥體可選316L不銹鋼、雙相鋼等材質,適用于強腐蝕性介質(如H₂S、酸性油氣)
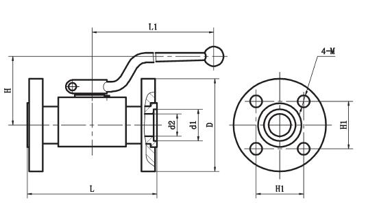
進口KHBF高壓球閥外形尺寸

